



Contacts: +39 011 25 35 33 - info@manelservice.com
Particularly quiet magnetic drive centrifugal pump. Pump body and impeller made of plastic material filled with glass resin. Ventilated motor suitable for operation at max 45°C ambient temperature. Stainless steel base with rubber vibration dampers.
TECHNICAL CHARACTERISTICS.
Rated capacity Btu/h 30,000
Consumption 135W
Flow rate L/m' 25
Prevalence mt 5
Weight Kg 5
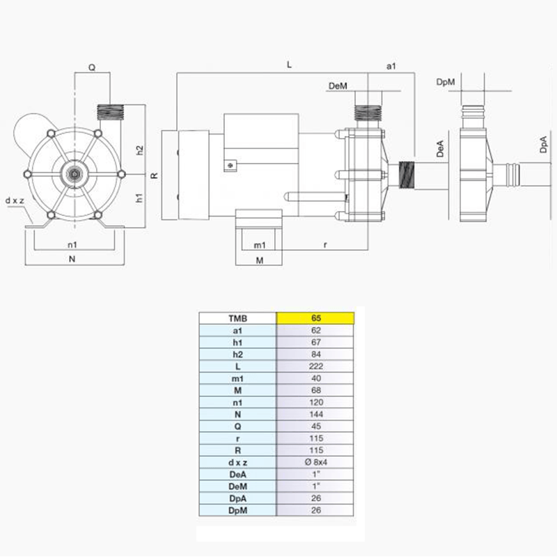
Suction/delivery connections 1' M BSP
Volt 230
Hertz 50 - 60
Data sheet
Specific References
Particularly quiet magnetic drive centrifugal pump. Pump body and impeller made of plastic material filled with glass resin. Ventilated motor suitable for operation at max 45°C ambient temperature. Stainless steel base with rubber vibration dampers.
TECHNICAL CHARACTERISTICS.
Rated capacity Btu/h 30,000
Consumption 135W
Flow rate L/m' 25
Prevalence mt 5
Weight Kg 5
Suction/delivery connections 1' M BSP
Volt 230
Hertz 50 - 60
Choose the right Climma marine air conditioner for your needs.
* Images and technical data are not binding. Please always consult the manufacturer's technical data sheet. Manel Service assumes no responsibility for any changes made by the manufacturer or any typographical errors.