


Contacts: +39 011 25 35 33 - info@manelservice.com
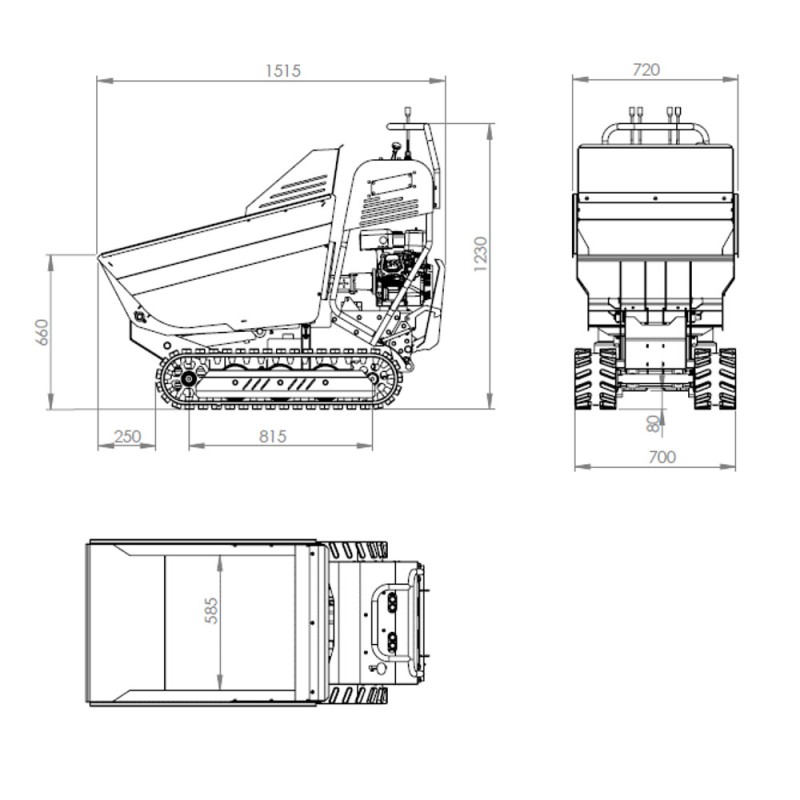
Engine: Honda GX200
Displacement: 196 cc
Power: 4.1 KW
Starting: Recoil, Self-winding
Transmission: Hydrostatic
Hydraulic Motor Type: Orbital
Safety System: Overcenter
Hydraulic Oil Tank: 14 l
Body Volume: 0. 21 mc
Tipping: Hydraulic
Max travel speed: 2.5 Km/h
Tracks: 180 x 60 x 38
Maximum load capacity: 500 Kg
Maximum slope: 30 %
Length (mm): 800
Width (mm): 1600
Height (mm): 1250
Dry weight (Kg): 310
Data sheet
Specific References
The crawler trolley FASTVERDINI MINIDUMPER IT500H is equipped with a Honda GX200 engine powered by gasoline, with a load capacity of up to 500Kg.
MINIDUMPER TM500DI crawler make your work easier, make transporting heavy materials easier and safer. Moreover, in reducing work injuries, they also take a burden off you.
FASTVERDINI MINIDUMPER IT500H is ideal for use by construction workers, thanks to the incredible convenience of the hydraulic tipping of the body. Thanks to this feature, the loading and unloading of the crawler trolley becomes very comfortable, in addition to prevent accidents from these maneuvers.
Equipped with Honda's renowned GXV200 4-stroke engine, they are solid and efficient and capable of performing any job to the fullest.
On gravel, rough terrain and even climbing stairs, the unique tread on the tracks of these trucks provides incredible traction. The tread minimizes ground damage, an important consideration when working on lawns and gardens.
TECHNICAL FEATURES FASTVERDINI MINIDUMPER IT500H
Engine: Honda GX200
Fueling: Gasoline
Displacement: 196 cc
Power: 4.1 KW
Starting: Pull start, Self winding
Transmission: Mechanical
Number of gears: 6+2
Steering: with mechanical disengagement
Brake: Jaws
Safety system: Lever with roller
Tipping: Manual
Max travel speed: 4. 90 Km/h
Tracks: 180 x 60 x 37
Maximum load capacity: 500 Kg
Maximum slope: 30 %
Length (mm): 800
Width (mm): 2000
Height (mm): 1150
Dry weight (Kg): 210
Are you looking for a crawler trolley with different technical characteristics? Here you can find the full range of crawler trolley FASTVERDINI or other specialized brands.
The images and technical data are not binding and may be subject to revisions by the manufacturer.
Sed dolor justo, volutpat at dolor sed, sagittis malesuada enim. Maecenas id sagittis mi. Nam erat nibh, luctus vitae euismod a, fermentum non elit. Aenean eget faucibus lacus. Vestibulum imperdiet ex ut erat placerat mollis. Nulla laoreet sit amet justo eget venenatis. Aliquam malesuada dui non lorem mattis, vitae laoreet massa commodo. Proin odio mi, vestibulum in feugiat id, venenatis et orci. Aliquam dapibus mattis nulla, eu vestibulum massa malesuada eu. Ut eu dui sit amet est aliquet venenatis. Vestibulum placerat arcu tincidunt fringilla
* Images and technical data are not binding. Please always consult the manufacturer's technical data sheet. Manel Service assumes no responsibility for any changes made by the manufacturer or any typographical errors.