


Contacts: +39 011 25 35 33 - info@manelservice.com
Rated power at 60Hz (kVA): 11
Rated power factor: 1
Rated temperature (°C): 40
Control system: self-excited
Design: brushless
Type of regulation: capacitor
Insulation class: H
Protection: IP21
1500 rpm
Maximum excess travel speed (rpm): 2250
110% overload of rated power for one hour in a 6-hour cycle
Airflow requirement (m3/min): 5.9 at 60Hz
Suppression standard R.F.F.I. EN55011
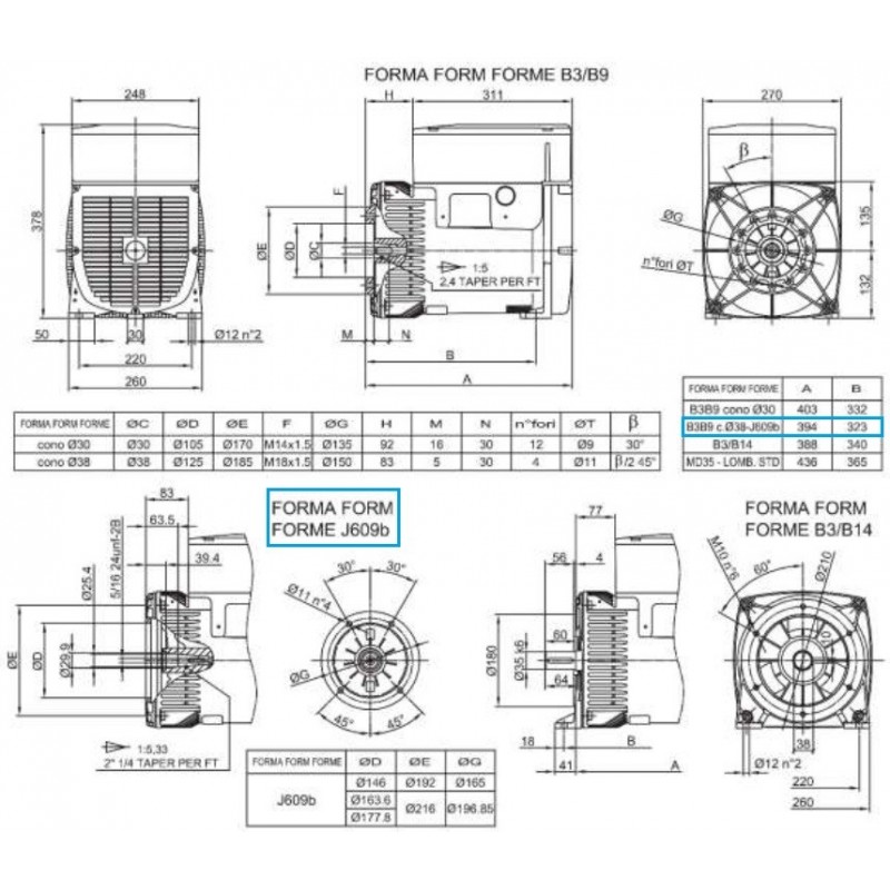
Data sheet
Specific References
LINZ E1C13/4 series are single-phase 4 poles brushless alternators with an auxiliary winding loaded on a capacitor regulating the voltage.
This series has been designed for application in light towers with metal halide, halogen lamps or LED.
CHARACTERISTICS