


Contatti: +39 011 25 35 33 - info@manelservice.com
Tensione d'alimentazione: 230 VAC (± 10%) 50÷60 Hz
Tensione di isolamento: 250V
Rigidità dielettrica tra terminali e contenitore: 2000 VAC × 1 minuto
Potenza assorbita: 350 W
Servizio: continuo
Termostato di funzionamento: non regolabile
Disinserisce il riscaldamento: 72°C ± 10%
Inserisce il riscaldamento: 57°C ± 10%
Guaina corrugata: LD-PEcon cavi unipolari isolati al silicone 1mm2
Grado di protezione: IP 54
Limiti di temperatura sopportabili: -20 ÷ +120 °C
Peso: 2,75 kg
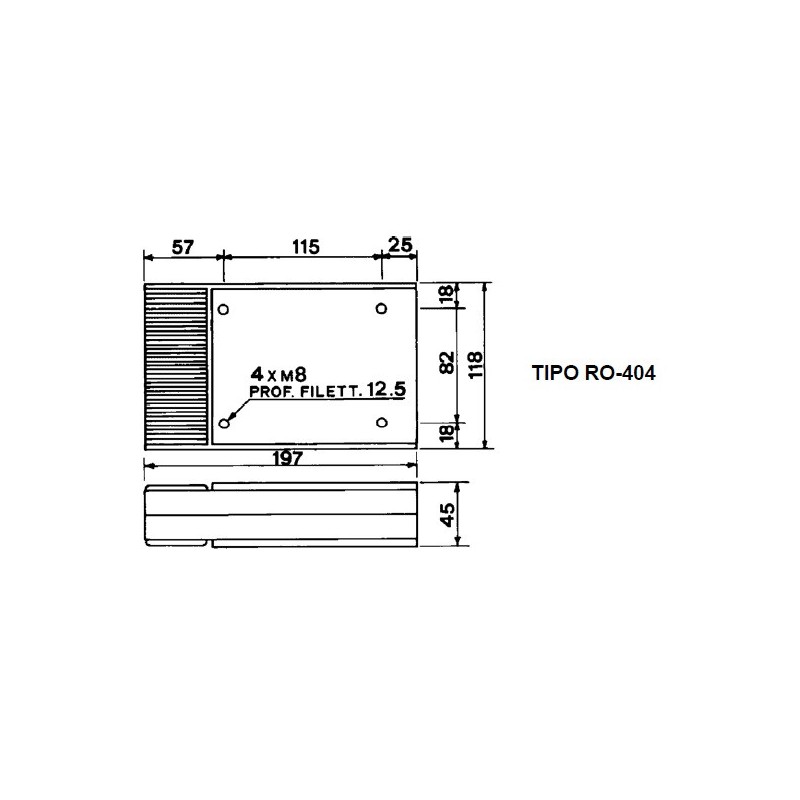
Scheda tecnica
Riferimenti Specifici
Il riscaldatore olio RO-404/00 è un dispositivo utilizzato per riscaldare l'olio all'interno del circuito del motore dei gruppi elettrogeni.
Il riscaldatore è in grado di garantire che la tempera dell'olio scenda al di sotto di un certo valore impostato tramite termostato integrato.
Il riscaldatore è di tipo elettrico e utilizza l'energia elettrica per produrre calore. È dotato di una resistenza elettrica, che riscalda l'olio che circola all'interno del circuito del motore. Il riscaldatore è controllato da un termostato, che regola la temperatura dell'olio in base alle esigenze del motore.
Il riscaldatore olio RO-404/00 è compatibile con diverse marche e modelli di gruppi elettrogeni, ed è stato progettato per garantire una facile installazione e una lunga durata nel tempo. Grazie alla sua robusta struttura in acciaio inox e alla sua elevata efficienza energetica, il riscaldatore olio RO-404/00 è un'ottima soluzione per mantenere il motore dei gruppi elettrogeni sempre in perfetta efficienza.
- Mantenimento di temperatura termostato interno.
- Idonei ad essere montati direttamente sul motore.
- Collegamenti agevolati dalla presenza di un cavo.
- Ottima rigidità dielettrica (2000V)
Tensione d'alimentazione: 230 VAC (± 10%) 50÷60 Hz
Tensione di isolamento: 250V
Rigidità dielettrica tra terminali e contenitore: 2000 VAC × 1 minuto
Potenza assorbita: 350 W
Servizio: continuo
Termostato di funzionamento: non regolabile
Disinserisce il riscaldamento: 72°C ± 10%
Inserisce il riscaldamento: 57°C ± 10%
Guaina corrugata: LD-PEcon cavi unipolari isolati al silicone 1mm2
Grado di protezione: IP 54
Limiti di temperatura sopportabili: -20 ÷ +120 °C
Peso: 2,75 kg
Cerchi un riscaldatore per oli con caratteristiche tecniche differenti? QUI puoi trovare la nostra area dedicata a tutti gli accessori per generatori di corrente.
Le Immagini e dati tecnici non sono impegnativi e possono essere soggetti a revisioni da parte del produttore.
* Immagini e dati tecnici non impegnativi. Si prega sempre di consultare la scheda tecnica rilasciata dal costruttore. La Manel Service non si assume la responsabilità per eventuali modifiche apportate dal produttore o eventuali errori di battitura.